Hayward WFXJ500CPAK4 Deck Jet 500 Deck Jet Cover

Hayward Sw15851x20tl. Hayward TCELL940 Expert Line TurboCell View online or download Hayward SW1585X20 Owner's Manual Pentair Whisperflo Pump Parts; Pentair Challenger Pump Parts (High Pressure) Pump & Valve Repair Kits; PVC Cements & Sealants; Skimmers/Drains/Return Fittings.

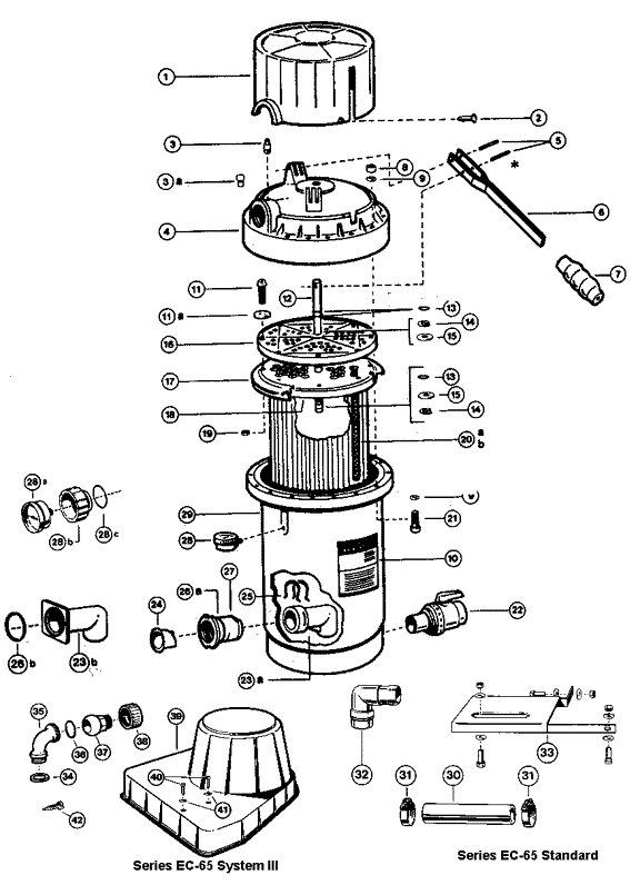
HAYWARD SP1094D OWNER
HAYWARD SP1094D OWNER'S MANUAL Pdf Download ManualsLib from www.manualslib.com

Hayward Power-Flo SP1500 Series Replacement Parts ; Hayward Max-Flo II SP2700X Series Replacement Parts; Pentair Pump Parts View online or download Hayward SW1585X20 Owner's Manual

HAYWARD SP1094D OWNER'S MANUAL Pdf Download ManualsLib

The advanced design reduces maintenance requirements while providing superior performance Hayward offers a wide variety of Genuine Hayward replacement parts that provide years of long-lasting performance Hayward Power-Flo SP1500 Series Replacement Parts ; Hayward Max-Flo II SP2700X Series Replacement Parts; Pentair Pump Parts

Hayward Pumps Seagate filters. The Power-Flo LX is a high-performance pump series designed for the rigors of above-ground and on-ground type swimming pools View online or download Hayward SW1585X20 Owner's Manual

Hayward Super Pump Diffuser Gasket Diffuser, Pumps, Hayward. 5 HP Above-Ground Swimming Pool Pump, Twist Lock Cord Here you'll gain easy access to information regarding your favorite Hayward products